Water filter type Tirreno with transparent Grilamid TR55 cover type 1160

Water filter type Tirreno with transparent Grilamid TR55 cover type 1160
Water filter type Tirreno with transparent Grilamid TR55 cover type 1160
Water filter type Tirreno with transparent Grilamid TR55 cover type 1160

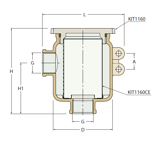
Material: brass, nickel-plated

Thread according to ISO 228/1 (BS 2779)

*Litres per hour

Thread GD H H1L AWeight (gr)0.1 bar*1 bar*
3/8”75108 64 104 20 870 18005750
1/2” 75 108 64 104 20 840 25508180
3/4” 75 108 64 104 20800 47508180
1”7513685106 30915750023800
05222 / 20622
To the top